深圳市芯联光科技有限公司

客服中心

电话: 18665864545
联系人: 袁先生
           
电动弧摆台
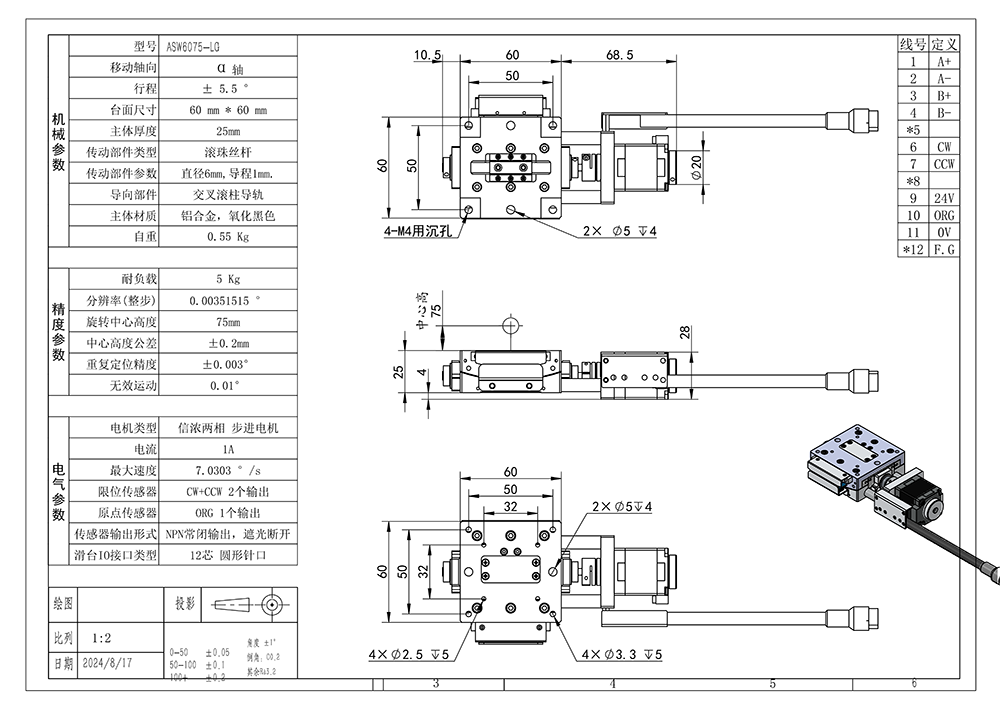
名称:ASW6075-LG
访问 :







产品视频
产品详情

上一个:ASW6050-RG

下一个:ASW6075-RG

光纤处理平台

测试仪器

解决方案

联系我们

扫码关注

深圳市芯联光科技有限公司
地址:深圳市光明区玉塘街道田寮社区第五工业区25栋501
电话: 18665864545
联系人: 袁先生
网址:/
热门标签: 半导体激光器耦合自动化  半导体激光器封装  光纤处理  高功率光纤隔离器  光纤器件  
版权 © 2021 深圳市芯联光科技有限公司   粤ICP备2021090102号

在线
客服

在线客服服务时间:9:00-18:00

选择下列客服马上在线沟通:

客服
热线

17724611496
7*24小时客服服务热线

关注
微信

关注官方网站
TOP