3-Electrode Fiber Bundle Splicer (EFS-10)
Product Description
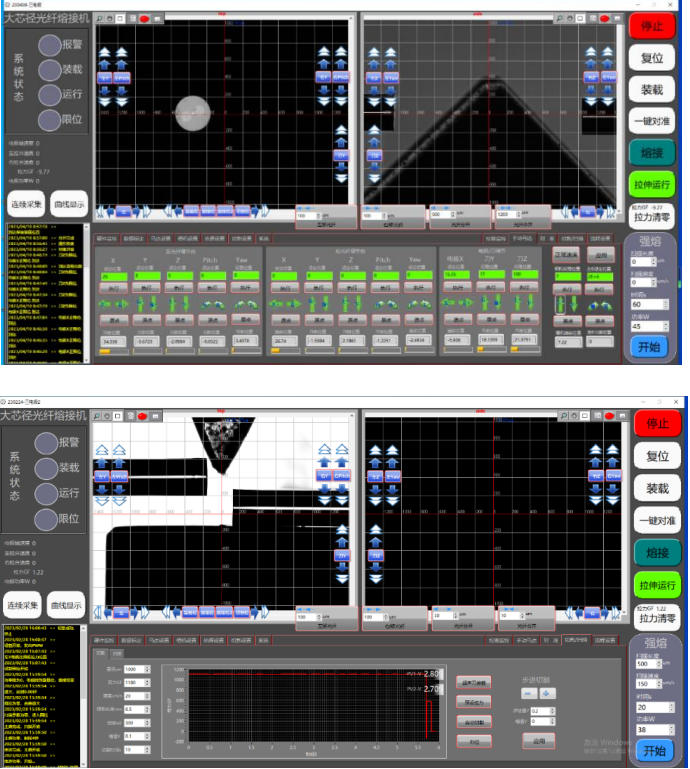
The EFS-10 three-electrode fiber bundle fusion splicing system is a high-end precision equipment for R&D and mass production of ultra-high-power optical devices. Powered by 120° symmetric three-electrode arc discharge, it integrates in-situ ultrasonic cleaving, high-precision multi-axis alignment, and polarization-maintaining (PM) fiber adaptation. It is mainly used for splicing and fabricating ultra-high-power signal combiners, pump combiners, and fiber end caps. It supports splicing and tapering of various optical devices, including fibers with cladding diameter from 50~2500 μm, single-taper fibers, and PM fibers. It is core equipment for manufacturing high-power optical devices in optical communication and laser technology fields.
Features
⚫ Uniform plasma heat source with three-electrode design
⚫ All-in-one fusion splicing & cleaving
⚫ Dual-CCD vision system
Specification
Parameter | Unit | Specification | ||
Axis Travel | X travel | um | 70 | |
Y travel | um | ±10 | ||
Z travel | um | ±10 | ||
Pitch | ° | ±5.5 | ||
Yaw | ° | ±5.5 | ||
θX | ° | ±55 | ||
Cleve Blade Y | um | 5 | ||
Cleve Blade Z | um | 40 | ||
Axis Precision | X precision | μm | ±0.1 | |
Y precision | μm | ±0.1 | ||
Z precision | μm | ±0.1 | ||
Pitch precision | ° | ±0.1 | ||
Yaw precision | ° | ±0.1 | ||
θX | ° | ±0.5 | ||
Cleve Blade Y | μm | ±50 | ||
Cleve Blade Z | μm | ±50 | ||
Alignment mode | - | Cladding alignment or local designated alignment | ||
Alignment time | s | 25 | ||
Processable fiber diameter | um | 50~2500 | ||
Ultrasonic cutter frequency | HZ | 1~2000 | ||
Fiber clamping tension | gf | 100 ~2000 | ||
CCD pixels | pix | 2000 | ||
CCD field of view | mm | 2.5x2.2 | 4x3.3 | |
Arc mode | - | Dual arc | Triple arc | |
Arc voltage | KV | 4~50 | ||
Arc power | W | 10~500 | ||
Operating temperature | ℃ | 23 ± 2 | ||
Operating humidity | %RH | 50~60 | ||
Power supply | V/HZ | AC110~220/50~60 | ||
Dimensions (L×W×H) | mm | 680*450*380 | ||
Ordering Information
Model | |||
EFS-10 = Standard fiber fusion splicing EFS-10P = Polarization-maintaining (PM) fiber fusion splicing |
Standard Accessories List
Accessory | Model | Unit | Qty |
Three-Electrode Fiber Bundle Fusion Splicing System (with PC) | EFS-10 | set | 1 |
Electrode rods | - | pair (3 pcs) | 1 |
Fiber holder | - | pair | 1 |
Certificate of Conformity | FH-(Provide according to the size request) | copy | 1 |
Warranty Card | - | copy | 1 |
User Manual | - | copy | 1 |
Wooden packing case | - | piece | 1 |



Your Location:




